• Главная
  • размеры врезных замков для межкомнатных дверей с магнитной защелкой

Размеры врезных замков для межкомнатных дверей с магнитной защелкой

8 января 2024 / 0 комментариев / 14 просмотров

Врезные замки для межкомнатных дверей с магнитной защелкой являются важной частью дверной фурнитуры, обеспечивая безопасность и удобство использования. В данной статье мы рассмотрим различные размеры врезных замков и подробно расскажем о том, как выбрать подходящий размер для вашей двери.

размеры врезных замков для межкомнатных дверей с магнитной защелкой
1
размеры врезных замков для межкомнатных дверей с магнитной защелкой
2
размеры врезных замков для межкомнатных дверей с магнитной защелкой
3
размеры врезных замков для межкомнатных дверей с магнитной защелкой
4
размеры врезных замков для межкомнатных дверей с магнитной защелкой
5
размеры врезных замков для межкомнатных дверей с магнитной защелкой
6
размеры врезных замков для межкомнатных дверей с магнитной защелкой
7
размеры врезных замков для межкомнатных дверей с магнитной защелкой
8
размеры врезных замков для межкомнатных дверей с магнитной защелкой
9
размеры врезных замков для межкомнатных дверей с магнитной защелкой
10
размеры врезных замков для межкомнатных дверей с магнитной защелкой
11
размеры врезных замков для межкомнатных дверей с магнитной защелкой
12
размеры врезных замков для межкомнатных дверей с магнитной защелкой
13
размеры врезных замков для межкомнатных дверей с магнитной защелкой
14
размеры врезных замков для межкомнатных дверей с магнитной защелкой
15
размеры врезных замков для межкомнатных дверей с магнитной защелкой
16
размеры врезных замков для межкомнатных дверей с магнитной защелкой
17
размеры врезных замков для межкомнатных дверей с магнитной защелкой
18
размеры врезных замков для межкомнатных дверей с магнитной защелкой
19
размеры врезных замков для межкомнатных дверей с магнитной защелкой
20
размеры врезных замков для межкомнатных дверей с магнитной защелкой
21
размеры врезных замков для межкомнатных дверей с магнитной защелкой
22
размеры врезных замков для межкомнатных дверей с магнитной защелкой
23
размеры врезных замков для межкомнатных дверей с магнитной защелкой
24
размеры врезных замков для межкомнатных дверей с магнитной защелкой
25
размеры врезных замков для межкомнатных дверей с магнитной защелкой
26
размеры врезных замков для межкомнатных дверей с магнитной защелкой
27
размеры врезных замков для межкомнатных дверей с магнитной защелкой
28
размеры врезных замков для межкомнатных дверей с магнитной защелкой
29
размеры врезных замков для межкомнатных дверей с магнитной защелкой
30
размеры врезных замков для межкомнатных дверей с магнитной защелкой
31
размеры врезных замков для межкомнатных дверей с магнитной защелкой
32
размеры врезных замков для межкомнатных дверей с магнитной защелкой
33
размеры врезных замков для межкомнатных дверей с магнитной защелкой
34
размеры врезных замков для межкомнатных дверей с магнитной защелкой
35
размеры врезных замков для межкомнатных дверей с магнитной защелкой
36
размеры врезных замков для межкомнатных дверей с магнитной защелкой
37
размеры врезных замков для межкомнатных дверей с магнитной защелкой
38
размеры врезных замков для межкомнатных дверей с магнитной защелкой
39
размеры врезных замков для межкомнатных дверей с магнитной защелкой
40
размеры врезных замков для межкомнатных дверей с магнитной защелкой
41
размеры врезных замков для межкомнатных дверей с магнитной защелкой
42
размеры врезных замков для межкомнатных дверей с магнитной защелкой
43
размеры врезных замков для межкомнатных дверей с магнитной защелкой
44
размеры врезных замков для межкомнатных дверей с магнитной защелкой
45
размеры врезных замков для межкомнатных дверей с магнитной защелкой
46
размеры врезных замков для межкомнатных дверей с магнитной защелкой
47
размеры врезных замков для межкомнатных дверей с магнитной защелкой
48
размеры врезных замков для межкомнатных дверей с магнитной защелкой
49
размеры врезных замков для межкомнатных дверей с магнитной защелкой
50

Выбор размера врезного замка

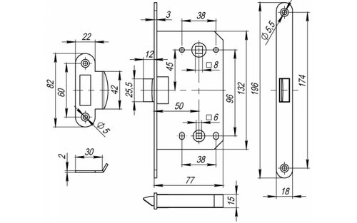
При выборе размера врезного замка для межкомнатной двери с магнитной защелкой необходимо учитывать несколько основных параметров. Во-первых, размер самой двери - высоту, ширину и толщину. Во-вторых, необходимо учесть тип и конструкцию двери, а также особенности установки магнитной защелки. Наши подробные фотографии помогут вам визуально представить, как выбранный замок будет смотреться на вашей двери.

Кроме того, важно учитывать стандартные размеры отверстий под врезной замок, которые могут различаться в зависимости от производителя. Наши фотографии помогут вам понять, какие размеры врезных замков наиболее распространены и как они соотносятся с вашей дверью.

размеры врезных замков для межкомнатных дверей с магнитной защелкой
51
размеры врезных замков для межкомнатных дверей с магнитной защелкой
52
размеры врезных замков для межкомнатных дверей с магнитной защелкой
53
размеры врезных замков для межкомнатных дверей с магнитной защелкой
54
размеры врезных замков для межкомнатных дверей с магнитной защелкой
55
размеры врезных замков для межкомнатных дверей с магнитной защелкой
56
размеры врезных замков для межкомнатных дверей с магнитной защелкой
57
размеры врезных замков для межкомнатных дверей с магнитной защелкой
58
размеры врезных замков для межкомнатных дверей с магнитной защелкой
59
размеры врезных замков для межкомнатных дверей с магнитной защелкой
60
размеры врезных замков для межкомнатных дверей с магнитной защелкой
61
размеры врезных замков для межкомнатных дверей с магнитной защелкой
62
размеры врезных замков для межкомнатных дверей с магнитной защелкой
63
размеры врезных замков для межкомнатных дверей с магнитной защелкой
64
размеры врезных замков для межкомнатных дверей с магнитной защелкой
65
размеры врезных замков для межкомнатных дверей с магнитной защелкой
66
размеры врезных замков для межкомнатных дверей с магнитной защелкой
67
размеры врезных замков для межкомнатных дверей с магнитной защелкой
68
размеры врезных замков для межкомнатных дверей с магнитной защелкой
69
размеры врезных замков для межкомнатных дверей с магнитной защелкой
70
размеры врезных замков для межкомнатных дверей с магнитной защелкой
71
размеры врезных замков для межкомнатных дверей с магнитной защелкой
72
размеры врезных замков для межкомнатных дверей с магнитной защелкой
73
размеры врезных замков для межкомнатных дверей с магнитной защелкой
74
размеры врезных замков для межкомнатных дверей с магнитной защелкой
75
размеры врезных замков для межкомнатных дверей с магнитной защелкой
76
размеры врезных замков для межкомнатных дверей с магнитной защелкой
77
размеры врезных замков для межкомнатных дверей с магнитной защелкой
78
размеры врезных замков для межкомнатных дверей с магнитной защелкой
79
размеры врезных замков для межкомнатных дверей с магнитной защелкой
80
размеры врезных замков для межкомнатных дверей с магнитной защелкой
81
размеры врезных замков для межкомнатных дверей с магнитной защелкой
82
размеры врезных замков для межкомнатных дверей с магнитной защелкой
83
размеры врезных замков для межкомнатных дверей с магнитной защелкой
84
размеры врезных замков для межкомнатных дверей с магнитной защелкой
85
размеры врезных замков для межкомнатных дверей с магнитной защелкой
86
размеры врезных замков для межкомнатных дверей с магнитной защелкой
87
размеры врезных замков для межкомнатных дверей с магнитной защелкой
88
размеры врезных замков для межкомнатных дверей с магнитной защелкой
89
размеры врезных замков для межкомнатных дверей с магнитной защелкой
90
размеры врезных замков для межкомнатных дверей с магнитной защелкой
91
размеры врезных замков для межкомнатных дверей с магнитной защелкой
92
размеры врезных замков для межкомнатных дверей с магнитной защелкой
93
размеры врезных замков для межкомнатных дверей с магнитной защелкой
94
размеры врезных замков для межкомнатных дверей с магнитной защелкой
95
размеры врезных замков для межкомнатных дверей с магнитной защелкой
96
размеры врезных замков для межкомнатных дверей с магнитной защелкой
97
размеры врезных замков для межкомнатных дверей с магнитной защелкой
98
размеры врезных замков для межкомнатных дверей с магнитной защелкой
99
размеры врезных замков для межкомнатных дверей с магнитной защелкой
100
размеры врезных замков для межкомнатных дверей с магнитной защелкой
101

Установка и регулировка

После выбора подходящего размера врезного замка необходимо правильно установить его в дверь. Наши фотографии подробно демонстрируют процесс установки и регулировки врезного замка для межкомнатной двери с магнитной защелкой, что поможет вам освоить этот процесс даже без специальных навыков.

В заключение, правильный выбор и установка врезного замка для межкомнатной двери с магнитной защелкой являются важными шагами для обеспечения безопасности и комфорта в вашем доме. Наши фотографии помогут вам сделать осознанный выбор и успешно осуществить установку замка.

Оставьте комментарий

Ваш электронный адрес не будет опубликован.